1. 產品介紹
LMP5系列DC-DC高溫電源,設計工作環境溫度175℃,是專門針對高溫作業環境開發的產品。主要應用領域石油勘測井下儀器、石油鉆井井下儀器、地球物理探測儀器。
2. 技術指標
l 工作環境溫度:-55℃~+175℃ ,最高殼溫: +185℃。
l 輸入電壓:10~30V,16~48V,24~72V,24V~100V ,36~108V,70~210V
l 輸出電壓:最多3路,3.3V, 5V, 9V, 12V, 15V,24V ,36V
l 輸出紋波及噪聲:70mVp-p
l 輸出功率: 5W(殼溫185℃功率無降額)。
l 輸出精度:±2%。
l 負載調整率:2%。
l 交叉調整率:雙路輸出,典型±3%(主路50%帶載,輔路10%-100%帶載)
l 溫度穩定性:±2%(-55℃~175℃)
l 線性調整率:±0.1%(10%線性變化)
l 過沖幅度:10%(輸入電壓階躍和負載電流階躍)
l 瞬態恢復時間:50ms(輸入電壓階躍和負載電流階躍)
l 抗震性:40G,0~800Hz。
l 轉換效率:75﹪~88%
l 靜態功耗:最大 0.3W。
l 輸入和輸出之間的隔離電壓:1000VDC。
l 開關頻率:300KHZ±5%(-55℃~175℃)
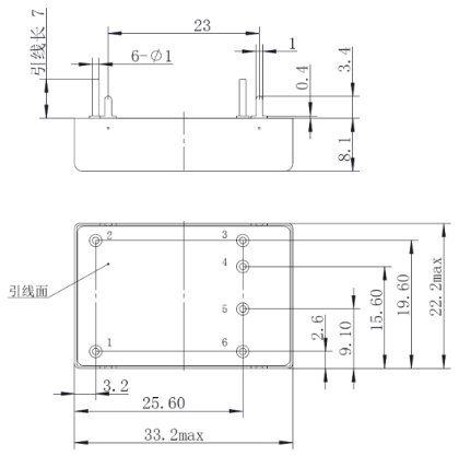
l 機械尺寸:L:33.2mm × W:22.2mm × H:8.5mm
l 使用壽命:殼溫150℃ 4000小時、殼溫175℃ 2000小時,殼溫185℃ 1000小時
3. 工作原理
LMP5系列高溫DC-DC模塊采用高頻變換工作模式,把直流電源逆變成高頻電源。
通過隔離變壓器實現輸入與輸出電氣隔離,然后經過整流電路將高頻電源轉換成直流輸出。
高頻變換電路實現了轉換效率高、體積小、重量輕的目的。
4. 引腳定義
LMP5系列模塊引腳定義:表1(輸出間共地)
引腳號 | 1 | 2 | 3 | 4 | 5 | 6 | 7 |
單輸出定義 | IN- | IN+ | GND | GND | OUT+ | NC | NC |
正負雙輸出定義 | IN- | IN+ | OUT2 | GND | OUT1 | NC | NC |
單極性雙輸出定義 | IN- | IN+ | GND | GND | OUT1 | NC | OUT2 |
三輸出定義 | IN- | IN+ | OUT2 | GND | OUT1 | NC | OUT3 |
表2(輸出間隔離)
引腳號 | 1 | 2 | 3 | 4 | 5 | 6 | 7 |
主一輔一 | IN- | IN+ | AOUT- | AOUT+ | MOUT+ | MOUT- | MOUT+ |
主一輔二 | IN- | IN+ | MOUT- | MOUT+ | AOUT1 | AGND | AOUT2 |
主二輔一 | IN- | IN+ | AOUT- | AOUT+ | MOUT1 | MGND | MOUT2 |
5. 選型指南
6. 外形尺寸圖

7. 安裝要求
模塊外殼有4個輔助固定插針,做PCB封裝時留出相對應焊盤增強模塊抗震性能,如不適用可剪掉。
8. 注意事項
模塊內部輸入電源未加極性防反接保護二極管,切記不要把輸入電源極性接反,否則會造成模塊損壞。